|

(1).jpg)
.jpg)

Install Instructions:

Specification:
① Power:d.c 6V/ a.c.220v
② Static power consumption: ≤0.5mW(dc), ≤0.6W(AC)
③ Ambient temperature:1 — 55℃
④ Suitable water pressure:0.05MPa - 0.6MPa(Best Water Pressure: 0.1-0.3MPa)
⑤ Detection zone:70cm±10%(To Standard White Board)
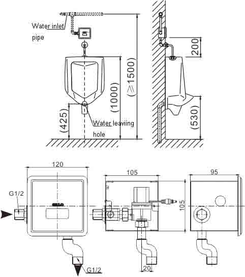
⑥ Dia.of inlet/outlet pipe:(DN15)G1/2″
⑦ Dimensions: Panel: 120x120mm; embedded case: 100x100x95mm
⑧Standard: CJ/T194 QB2948
Features & Functions:
Flush Automatically: After being used, the urinal will flush automatically by the sensor flusher.
Smart Deodorant:: When the urinal is not used for a long time, it will flush automatically every 12 hours to prevent the trap from drying up and odor reversing.
Clean & Hygienic: Self-open and close w/o any touch can effectively avoid cross-infection of bacteria.
Water-saving: It can adjust flushing time automatically according to different using frequency, saving water very dramatically.
Convenient to Maintain:With a built-in flow rate controller & filter, non-professionals can easily adjust water volume and clean filter.
Intelligent Control: Its control circuit is super mini-designed & controlled by micro-computer. The detection zone has been configured before ex-factory. Any manual adjustment is needless.
Optional Power Supply: Both AC of 220V and DC of battery operation is optional.
Power Saving: 4pcs of AA alkaline batteries can last for 2 years based on 300 cycles/day.
Material description:
①Panel: 304 stainless steel
② Control box: Engineering ABS
③Inlet and outlet parts: Brass
④Pipe lock parts: 304 stainless steel
Use Instructions:
.jpg)
|